桂林市邁特光學儀器有限公司
Guilin Microtech Optical Instrument Co., Ltd. (MTO)
中文丨ENGLISH
產品搜索
請選擇產品類別
請選擇具體產品
● 無窮遠光學系統設計,外型短小美觀,景深大,全程齊焦,可設置定格定倍
● 附件豐富,可選多種倍率CCD接頭和多種倍率物鏡,同軸照明
● 包括MZDV0640、MZDV0640C
● 廣泛應用于半導體設備,特別適用于二維、三維測量系統
可訂制定格定倍,如:MZDV0640-D,
物鏡連續變倍范圍
0.6X~4.0X
變倍比
6.7: 1
標準工作距離
83mm(1X物鏡)
照明
可調光高亮度長壽命LED同軸照明
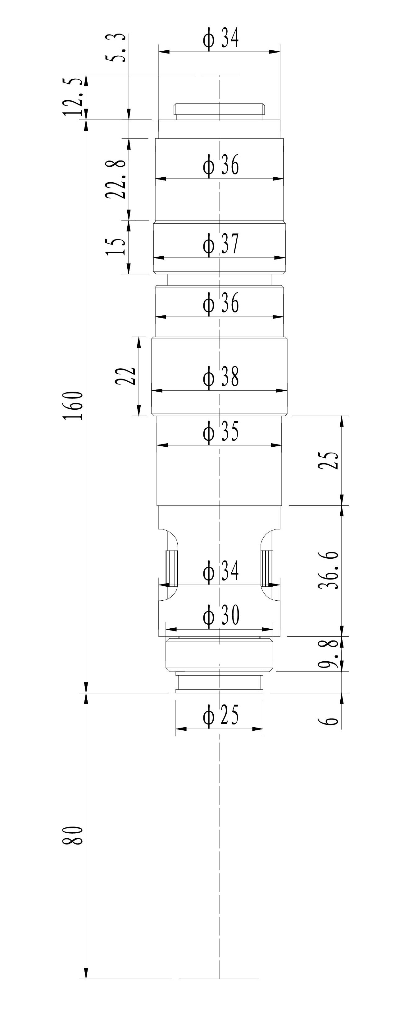
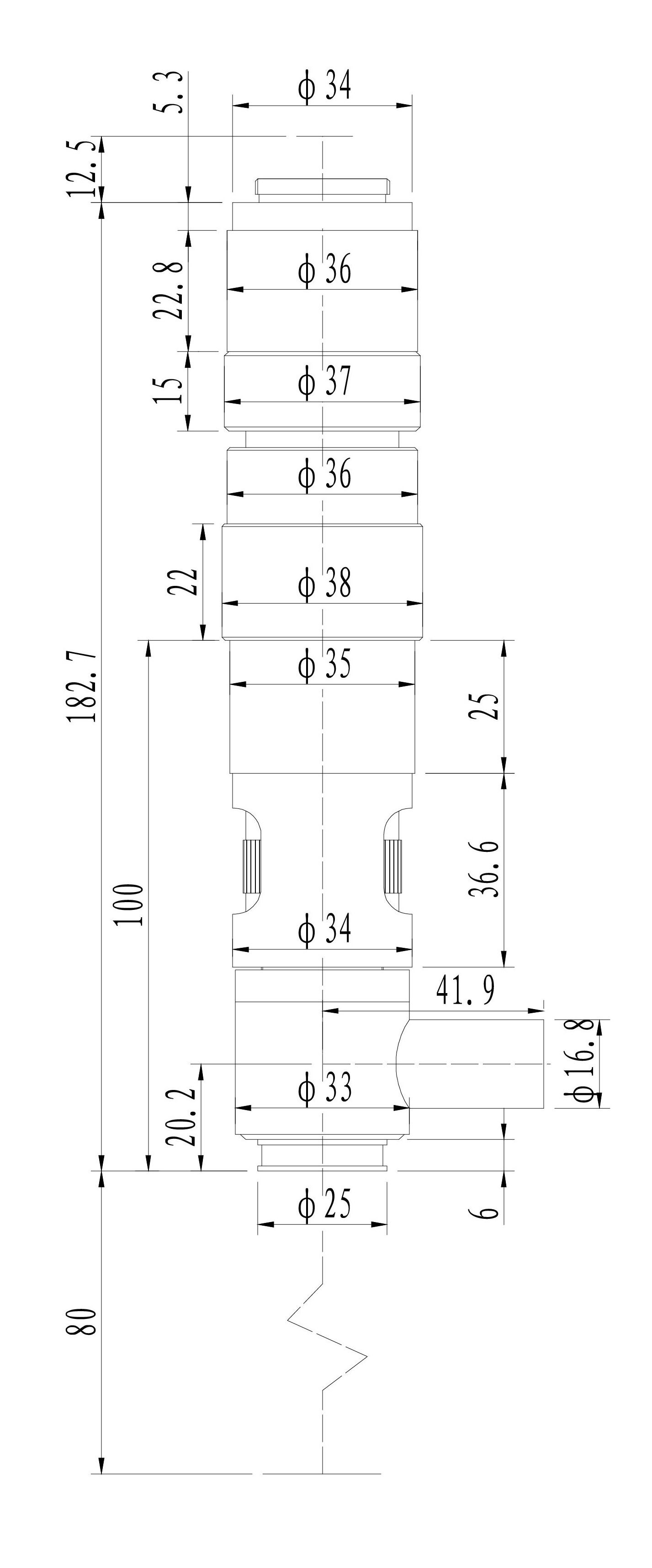
主機與支架配合尺寸
Φ35mm
接口
標準CS接口(支承面到CCD靶面距離為12.5mm)
物鏡
項目
CCD接頭
0.5X
1X
1.5X
2X
0.3X WD:293mm
總光學放大倍率
0.09X~0.6X
0.18X~1.2X
0.27X~1.8X
0.36X~2.4X
視場范圍(mm)
40X53.33~6X8
20X26.67~3X4
13.33X17.78~2X2.67
10X13.33~1.5X2.0
0.4X WD:223mm
0.12X~0.8X
0.24X~1.6X
0.48X~3.2X
30X40~4.5X6
15X20~2.25X3
10X13.33~1.5X2
7.5X10~1.13X1.5
0.5X WD:175mm
0.15X~1X
0.30X~2X
0.45X~3X
0.6X~4X
24X32~3.6X4.8
12X16~1.8X2.4
8.0X10.67~1.2X1.6
6.0X8.0~0.9X1.2
0.6X WD:145mm
0.54X~3.6X
0.72X~4.8X
6.67X8.89~1X1.33
5X6.67~0.75X1
0.75X WD:117mm
0.23X~1.5X
0.68X~4.5X
0.9X~6X
16X21.33~2.4 X3.2
5.33X7.11~0.8X1.07
4.0X5.33~0.6X0.8
0.9X WD:93mm
0.81X~5.4X
1.08X~7.2X
4.44X5.93~0.67X0.89
3.33X4.44~0.5X0.67
1X WD:83mm
0.3X~2X
1.2X~8X
3.0X4.0~0.45X0.6
1.5X WD:54mm
1.35X~9X
1.8X~12X
8X10.67~1.2X1.6
2.67X3.56~0.4X0.53
2.0X2.67~0.3X0.4
2X WD:35mm
2.4X~16X
6X8~0.9X1.2
1.5X2.0~0.23X0.3
變倍主體連續變倍范圍: 0.6X~4.0X
倍率
NA
景深
分辨率
TV失真
1X CCD 接頭
1X 平場CCD 接頭
0.6X
0.021
3.2mm
16μm
0.5%
0.05%
2.0X
0.068
0.29mm
4.9μm
0.4%
0.07%
4.0X
0.097
0.10mm
3.5μm
0. 3%
0. 04%
輔助光源
MLC100A,MLC1000A
0.5X, 1.0X(標準配置),1.5X,2.0X,1X平場
0.3X,0.5X,0.75X,1X(標準配置),1.5X,2.0X,4.5X
無窮遠金相鏡頭
Nikon, Olympus, Mitutoyo
底座組
SD1-D ~ SD18-D
注:
本鏡頭(使用1X平場CCD接頭時)特別適用于二維、三維測量。
公司簡介
企業文化
榮譽認證
總裁致辭
新產品
單筒
多功能連續變倍視頻顯微一體機
體視
MTV機器視覺系列
光源
附件匯總
其它產品
定制鏡頭
體視顯微鏡
單筒視頻顯微系統
微電子精密成像
自動化設備
工業相機、智能機器人
生物、醫療
教育、科研
環保、材料、公安刑偵
新聞信息
招賢納士
下載資料
0773-5823609/5812510/2673200
http://www.52zkw.cn
桂林市高新區信息產業園D-3號
[手機官方網站]
[邁特官方微信]
聯系我們丨在線地圖